WEO009632BWAP3N00000 – Módulo de visualización gráfica OLED Winstar Longlife

WEO009632BWAP3N00000 Módulo de visualización gráfica OLED Winstar Longlife ofrece una experiencia visual inigualable con su pantalla OLED de alto contraste y larga duración. Ideal para aplicaciones industriales y comerciales, este módulo garantiza claridad y nitidez con un diseño compacto y eficiente. Su tecnología avanzada asegura un bajo consumo energético, prolongando la vida útil del dispositivo y reduciendo costos operativos. Además, el WEO009632BWAP3N00000 se integra fácilmente en diversos sistemas gracias a su compatibilidad universal, proporcionando una solución versátil para tus necesidades de visualización gráfica. Aprovecha la oportunidad de mejorar tus proyectos con un producto que combina fiabilidad y rendimiento superior.

Ficha técnica

Pregunta a nuestro equipo por:

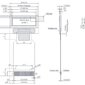
Resolución96x32
Color del contenidoBlanco
Tamaño (pulgadas)0.68
InterfazI²C, SPI, 8080
ControladorSSD1305
Tensión3V
Panel táctilNinguno
Área activa (mm)16.298x5.418
Dimensiones del contorno (mm)19,8x12,32x1,21
Temp. de funcionamiento (°C)-40~80
Temperatura de almacenamiento (°C)-40~80
ManufacturerWinstar
Comparar

Contacta con nuestros expertos: te ayudaremos a elegir la solución óptima adaptada a tus necesidades.

Rango de temperatura de funcionamiento industrial

image

Este módulo puede funcionar de forma estable y sin fallos durante un largo periodo dentro de un amplio rango de temperaturas. Gracias a esta opción, puede aplicarse con éxito, por ejemplo, en la industria del transporte y la automoción.

Alto contraste

La principal diferencia entre la tecnología LCD y la OLED es una cuestión de generación de luz. El panel LCD estándar necesita luz de fondo para iluminar sus píxeles y, por tanto, la imagen mostrada. Mientras que en la tecnología OLED, los propios píxeles son una fuente de luz emitida en el color adecuado.

La retroiluminación del módulo LCD hace que el negro obtenido nunca sea perfecto, porque parte de la luz atraviesa la matriz. Esta característica se hace especialmente evidente en una habitación oscura. En cambio, la tecnología OLED hace posible la desconexión completa de los píxeles seleccionados, de modo que la célula emite 0 cd/m2 consiguiendo un efecto de negrura perfecta. Una negrura perfecta y un brillo comparable al de la pantalla LCD dan como resultado un contraste y una legibilidad mucho mayores. Dependiendo de la iluminación externa, el contraste estático de la pantalla OLED es de 2000: 1 a infinito, alcanzando el valor más alto posible en la tecnología actual.

COG (viruta en el cristal)

Las pantallas con Chip on Glass se caracterizan por un menor grosor de todas las dimensiones exteriores y, gracias a una construcción más hermética, son más herméticas y resistentes a los golpes. Además, tienen un precio más atractivo y un menor consumo de energía.

Tiempo de respuesta rápido

Las pantallas OLED se caracterizan por un tiempo de reacción más rápido en comparación con las matrices LCD. El tiempo de reacción de las pantallas LCD oscila entre unos pocos y hasta varios cientos de milisegundos y se debe a las propiedades del cristal líquido. En cambio, el tiempo de respuesta de los módulos OLED es inferior a 10 μs. El tiempo de respuesta de las pantallas LCD aumenta rápidamente a temperaturas bajo cero y puede llegar a detener por completo el contenido visualizado o, al menos, provocar imágenes fantasma. Las pantallas OLED no tienen este fallo y funcionan a toda velocidad incluso a temperaturas de -40 °C.

Ángulos de visión completos

En las pantallas OLED cada píxel emite luz individualmente sólo por la superficie, de modo que la imagen mostrada es completamente legible desde cualquier ángulo de visión. En comparación, en la tecnología LCD la capa emisora de luz está situada por debajo y sobre ella se aplica una matriz transmisora de luz y filtradora del color. La imagen creada en este tipo de pantalla se caracteriza por unos parámetros ópticos muy buenos sólo cuando se mira desde el ángulo correcto. Cualquier ángulo de visión diferente provoca una menor transmisión de la luz. Esto provoca un deterioro visible de la calidad de la imagen que se refleja en la disminución del brillo y el contraste.

Fuentes incorporadas

Todas las pantallas OLED Winstar estándar llevan incorporados 4 juegos de fuentes: Inglés, europeo, japonés y cirílico. Gracias al uso de muchos idiomas, esta solución amplía la gama de aplicaciones en varios mercados. Los desarrolladores de aplicaciones también pueden utilizar como iconos los caracteres seleccionados del conjunto ampliado de fuentes. Además, las fuentes incrustadas aceleran significativamente el desarrollo de aplicaciones en pantallas gráficas. No es necesario diseñar y programar fuentes propias, ya que el usuario sólo tiene que elegir y aplicar una adecuada.

Larga vida

La historia de las pantallas OLED es relativamente corta. Al principio, el principal inconveniente de esta tecnología era la corta vida útil de las células OLED (especialmente para el color azul), lo que reducía considerablemente el ámbito de las aplicaciones. La investigación llevada a cabo eliminó este obstáculo. Actualmente, contrariamente a las creencias y mitos populares, la tecnología OLED está tan perfeccionada que puede utilizarse con éxito en aplicaciones industriales. En la actualidad, las pantallas OLED superan a los módulos LCD en todos los aspectos y su vida útil oscila entre 50.000 y 110.000 horas (según el color).

Bajo consumo de energía

Gracias al uso de un material orgánico especial, la tecnología OLED permite la generación automática de luz. El panel OLED no necesita retroiluminación y sólo consume tanta energía como píxeles necesiten iluminarse en ese momento. Con esta solución, el consumo medio de energía del OLED es mucho menor en comparación con el panel LCD con retroiluminación estándar.

Chat with AI
Scroll al inicio
Metricool Tracker